
一.JLD型液壓蝶閥試驗臺工作原理及使用方法
JLD型蝶閥試驗臺是公司自主研發的新一代抓緊式液壓蝶閥測試臺并擁有技術專利知識產權,本機適用于蝶閥性能試驗的檢測設備。本機集機、電、液和液動供壓裝置循環水系統于一體,工作臺夾緊爪采用油缸直接驅動夾緊蝶閥來實現測試,使各爪受力均勻,夾緊可靠、夾緊爪的徑向移動功能采用油缸、連桿組成,實現各爪徑向同步移動,保證了各大小不同通徑的蝶閥測試,測試密封時,如有帶法蘭的蝶閥夾緊法蘭、無法蘭的蝶閥由液壓夾爪直接伸延夾住蝶閥平面即可測試。該機能直觀蝶閥內腔有否泄漏或冒氣泡,如試強度時加蓋上密封盲板即可,在該機上可做閥門電動裝置力矩及 90度開閉測試。該機隨帶液壓供水泵、介質可循環儲藏使用。使用清水時,必須加防銹劑,以免使閥門試后生銹及影響液動供壓裝置正常的使用功能。
使用方法:
一、用30#-40#液壓油或20#機械油注入液壓系統油箱內,油量不能低于油面指示器下限。
二、接通電源,點動油泵起動按鈕,檢查電機旋轉方向是否正確(按順時針)。
三、將液壓系統壓力調至5.0MPa,即可以進行正常工作。
四、工作程序:(1)點動夾爪退到最大位置;(2)將被試蝶閥放在工作臺密封盤中心;(3)點動夾爪小進至被測蝶閥所需位置;
(4)點動夾緊爪,夾緊被測蝶閥(法蘭或平面);(5)按增壓扭至所需壓力(夾緊油缸所需壓力對照表)(貼在機上)。增壓按鈕可多次點動,每次間隔若三秒鐘左右, (指第一次按下未達到所需壓力時)。最高壓力32MPa;(6)進行水壓或氣壓對被試蝶閥進行測試;(7)測試完 畢后,打開放水或氣開關,泄掉壓力即可; (8)先后按各放松鈕,將被測閥門取下。
二使用注意事項和要求
一、設備安裝:校好設備安置水平或用混凝土固定底腳螺栓。
二、選用N32 — 46#普通液壓油,N32-46#抗磨液壓油或20 — 30#機械油,注入油箱,油量不能低于油位計下限。
三、接通電源,按油泵啟動按鈕,檢查電機轉動方向,是否正確(順時針方向)進行5 — 10分鐘空載運轉后,調節油泵壓力在5 0MPa進行試機,各種動作,檢查各管路有無泄漏,發現不良現象,應立即停機排除。
四、試驗的介質:水具有方便,不污染環境等優點,因而應用廣泛,要確保對被試閥門不會腐蝕及在測試機介質要求所需要。在水箱中,添加防銹劑或者常用油作試驗介質。
五、測試蝶閥時,首先根據被試閥門試驗壓力,要求參照《壓緊油缸所需壓力對照表》中液壓壓緊系統壓力值,進行增壓壓力調節,嚴禁增壓壓力值超高、防止被試閥門變形損壞。
六、液壓供壓水泵開始工作前,先調節好電接點壓力表與被試驗閥門壓力相同,然后進行工作。
鑄鐵閥門不得用錘擊,閥門在試驗中,操作人員應注意安全,正確使用,特別注意測試鑄鐵閥門時介質壓力過高破損,閥門試驗完畢,應將閥門內壓力排盡后才可放松軸向壓機。
七、壓力試驗裝置的壓力表必須經當地計量部門鑒定合格其合格證應在有效期內,壓力表的量程不能低于測試壓力1.5倍,精度不低于 1.5級。
八、注意事項
1.試驗臺工作面應保持干;爭、清潔、被試閥門的法蘭與密封盤,不允許有其定雜物,時刻檢查O形圈損壞。
2測試臺各部件的活動處,要經常加油,保持清潔潤滑使用。
3。液壓油要定期檢查、更換對新投入使用的設備,使3個月既清洗油箱,更換新油,以后每隔一年進行清洗和更換一次,油量不能低于油位計的下限,油箱內的油液溫度不能超過 55~C。
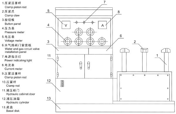
JLD 型液壓蝶閥試驗臺(套式)外觀示意圖 

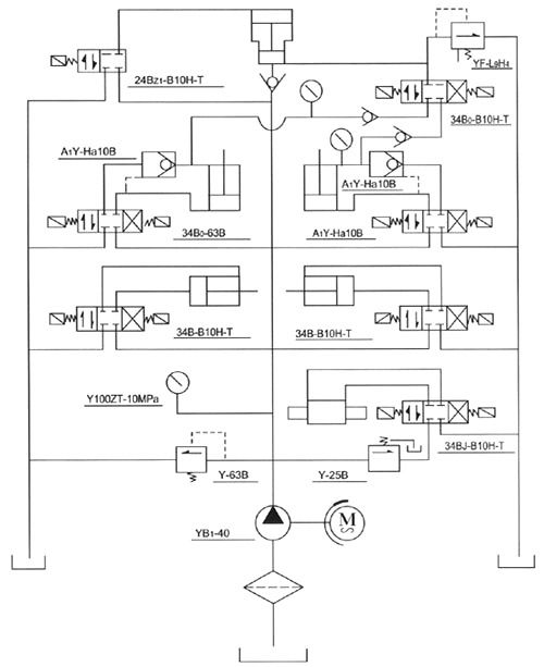
四JLD型套式液壓原理圖

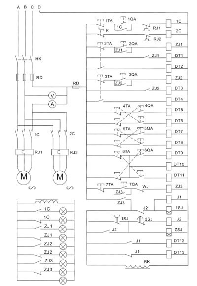
五JLD型電器原理圖(用于套式)

六JLD型套式水氣路原理圖

七JLD型(單式)液壓蝶閥測試臺外觀示意圖

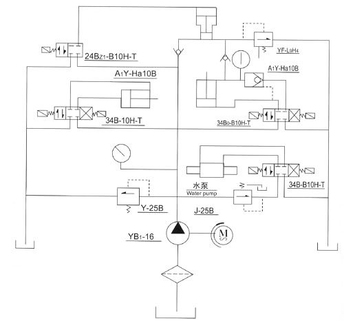
八JLD型單式液壓原理圖

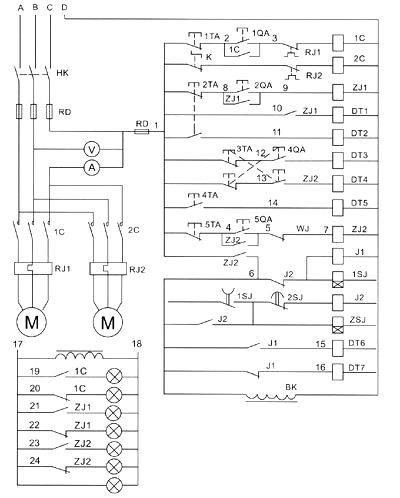
九JLD型單式電路原理圖

十、JLD型蝶閥試驗臺壓力范圍圖表:
.jpg)
.jpg)
.jpg)
.jpg)
.jpg)
.jpg)




.jpg)